Время работы
Пн-Пт с 8:00 до 17:00
г. Звенигово
ул.Ленина, д. 32б

Контроллер электромагнитного клапана SSVC0059 (версия 2)

Автоматика отбора для ректификации. Улучшенная, вторая версия контроллера SSVC0059 с датчиком атмосферного давления, до двух датчиков температуры, до трех клапанов, возможность обновления альтернативными прошивками.


Описание

SSVC0059 - автоматика управления отбором (по жидкости) в оборудовании ректификации.

"Контроллер электромагнитного клапана SSVC0059 (версия 2)" (далее Контроллер) - предназначен для изготовления блока управления электромагнитными клапанами (нормально закрытыми, работающими от сети переменного тока частотой 50 Гц, напряжением 230 В и током до 0,9 А*). Контроллер позволяет управлять клапанами по заданной программе с контролем температуры датчиками DS18B20 (до 2х штук, в комплект не входят).

* В прошивках 2.2.* и 2.3.* (серия Pro) 0.9 А - маскимальный суммарный ток используемых клапанов, при параллельном отборе.

Типовое применение - управление отбором продукта в устройствах автоматизации ректификации.

Контроллер электромагнитного клапана SSVC0059 (версия 2) является продолжением SSVC0059 первой версии. Об основных изменениях относительно SSVC0059 первой версии изложено в этом PDF документе: "Что нового? Автоматика отбора SSVC0059 версия 2".

ОСОБЕННОСТИ

  • Симисторные силовые ключи с детектором перехода через ноль для подключения клапанов*;
  • Клеммы для подключения 2х датчиков температуры DS18B20;
  • Клеммы для подключения 3х клапанов;
  • Электромеханическое реле для управления внешним оборудованием;
  • Разъем для карты памяти для обновления прошивки и сохранения настроек;
  • Графический дисплей, русский интерфейс;
  • API для разработчиков**.
* Отсутствие помех в момент включения и выключения силового ключа. Практически неограниченный ресурс срабатывания силового ключа.
** В прошивках серии Pro. Возможно подключение внешнего управления по UART. Подробности изложены в описаниях к прошивкам.
Технические характеристики
Параметр
Номинальное напряжение питания сети, В
Номинальное напряжение питания клапана, В
Частота сети, Гц
Потребляемая мощность (без клапанов), Вт
Род тока контроллера и клапана
Максимальный ток клапана
Максимальнное сечение зажимаемых в клеммники проводов
Рекомендуемое сечение зажимаемых в клеммники проводов
Класс защиты от поражения электрическим током
Монтаж
Степень защиты
Относительная влажность воздуха
Температура эксплуатации
Значение
230 ±10%
230 ±10%
50 ±0,2 Гц
2,5
переменный
0,9 А*
1,5 кв.мм
0,75 кв.мм
0
DIN рейка
IP10
менее 80%
-10..+60°C

* В прошивках серии Pro (2.2.* и 2.3.*)  маскимальный суммарный ток используемых клапанов - 0.9 А при использовании параллельного отбора.

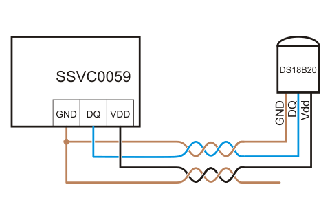
Назначение клемм и разъемов

Назначение клемм и разъемов SSVC0059 V2
  • Питание 230 В - подключение к электрической сети, выполнить через автоматический выключатель 1 А. 
  • Клапан 1, Клапан 2, Клапан 3 - подключение электромагнитных клапанов (нормально закрытые, 230 В, с током не более 0.9 А). Возможна работа с одним, двумя или тремя клапанами. 
  • Реле - нормально разомкнутые контакты электромеханического реле,  для включения/отключения внешнего оборудования. DC, максимум - 24 В, 2 А, 30 Вт. AC, максимум - 240 В, 1 А, 30 Вт 
  • Т.Датчик 1 и Т.Датчик 2 - подключение датчиков температуры DS18B20. Допускается подключение по 3х-проводной или 2х-проводной схеме. Предусмотрена работа как с одним датчиком, так и с двумя. 
  • SIGNAL - выход с опторазвязкой. Выход полярный, максимальное напряжение - 35 В, максимальный ток - 20 мА. Логика работы выхода SIGNAL зависит от используемой версии прошивки. В заводской прошивке контакты замкнуты при ошибке датчика. В прошивках серии Pro (2.2.* и 2.3.*) выход сигнал используется для переключения мощности «разгон» / «работа».
  • Разъем карты памяти - размер micro SD. Файловая система карты памяти - FAT32. Максимальный объем карты - 32 ГБ.
    Обновление занимает меньше 100 КБ.
Разъем карты памяти SSVC0059 V2

Возможно обновление прошивки устройства. Для обновления необходимо записать файл прошивки UPD ATE.FW на карту памяти и вставить её в разъем карты памяти (контактами вверх) до включения контроллера. Контроллер, обнаружив файл обновления при включении, предложит обновить устройство. Обновление длится около 3х минут. Во время обновления нельзя отключать питание устройства и извлекать карту памяти. После обновления рекомендуется сбросить и проверить все настройки. Файлы обновления необходимо скачивать на официальном сайте производителя smartmodule.ru

Отзывы

Отзыв одного из первых пользователей SSVC0059 V2:

...
это лучшее, что у меня было, воплощает все мои хотелки
...
Всё, одной пьём, другой стираем слёзы счастья.
Павел.

Прошивки


Алгоритм работы контроллера зависит от загруженной прошивки. В продажу контроллер поступает с заводской версией прошивки и с руководством по эксплуатации.

Альтернативные версии прошивок создаются при активном участии сообщества пользователей и находятся в стадии тестирования. Обсуждение прошивок происходит в телеграм чате пользователей SSVC0059: https://t.me/ssvc0059_chat. В работе альтернативных прошивок на стадии тестирования имеется вероятность ошибок, которые будут устраняться в последующих версиях прошивок. Ошибки, обнаруженные в альтернативных версиях прошивок, не могут являться основанием для претензий и возврату по гарантии.

Файлы прошивки запакованы в ZIP архив. Для обновления прошивки необходимо:
1.Распаковать архив;
2.Скопировать файл из архива  "UPD ATE.FW" на карту памяти в корневую папку;
3.Вставить карту памяти с файлом в разъем для карты контроллера SSVC0059 (версия 2);
4.Включить питание контроллера, далее следовать указаниям на экране.
В архиве имеется файл changelog.txt, содержащий информацию об истории изменений в прошивке.

После обновления прошивки рекомендуется сбросить и проверить все настройки.

Заводская версия прошивки.

Ссылка на актуальную версию заводской прошивки
Версия / дата Ссылка на прошивку. Краткое описание
2.1 / 07.05.2021 Заводская версия
ssvc0059_v2_firmware.2.1.zip
PDF. Руководство по эксплуатации SSVC0059 (версия 2), заводская прошивка версии 2.1.
2.1.1 / 01.06.2021 ssvc0059_v2_firmware.2.1.1.zip
Добавлен отложенный пуск.
2.1.2 / 08.06.2021 ssvc0059_v2_firmware.2.1.2.zip
Добавлен выбор типа клапана НЗ/НО.
2.1.4 / 17.08.2021 ssvc0059_v2_firmware.2.1.4.zip
Температура отбора тела фиксируется на 0.07 градуса выше.

Прошивки серии Pro (отбор тремя клапанами, термодатчик в колонне и в кубе)

Ссылка на актуальную версию прошивки PRO и описание
Для более новых прошивок необходимо учитывать изменения из краткого описания и из файла changelog.txt в архиве с прошивкой.
Версия / дата Ссылка на прошивку. Краткое описание
Информацию о более ранних версиях см. в файле changelog.txt
2.2.33 / 29.08.2024 ssvc0059_v2_firmware.2.2.33.zip - Описание прошивки SSVC0059 версии 2.2.33
В стартовых настройках добавлен экран настройки пропускной способности клапанов в мл/ч.
Если для клапана задана его пропускная способность, на экране настроек программы
ректификации, когда курсор находится на строке скорости соответствующего клапана,
отображается рассчитанная скорость работы клапана в мл/ч. Когда курсор на строке
установки времени отбора голов, отображается расчетное количество отбора в мл.
В программе ректификации, если задана пропускная способность клапана, вместо скорости
в процентах отображается скорость в мл/ч.
2.2.34 / 03.09.2024 ssvc0059_v2_firmware.2.2.34.zip
Документация к UART API версия прошивки 2.2.34
Изменения для разработчиков.
В ответ на GET_SETTINGS в UART добавлены пропускные способности клапанов.
Убраны сообщения message из вывода в UART. 
Сообщения JSON могут содержать поле event, оповещающее о событиях.
Перечень событий и их описание:
- heads_finished: завершен этап Головы (в ручном режиме)
- hearts_finished: завершен этап Тело (в ручном режиме)
- tails_finished: завершен этап Хвосты (ректификация завершена)
- ds_error: ошибка датчика температуры
- ds_error_stop: оборудование выключено (релейный выход на отключение) в связи с ошибкой датчика
- stabilization_limit: превышен лимит времени стабилизации
2.2.35 / 27.10.2024 ssvc0059_v2_firmware.2.2.35.zip
Изменения для разработчиков.
Изменен формат сообщений в дежурном режиме
Дежурный ржим (type: "waiting")
Состоит из общей для всех сообщений части "common"
Общая часть "common"
Сообщение содержит следующие поля:
- mmhg: int — Давление в мм рт. ст.
- tp1: float — Температура ТД1.
- tp2: float — Температура ТД2.
- relay: int — Состояние реле (0 или 1).
- signal: int — Состояние сигнала (0 или 1).
Пример:
json
{
  "type": "waiting",
  "common": {
    "mmhg": 750,
    "tp1": 30.31,
    "tp2": 30.81,
    "relay": 1,
    "signal": 0
  }
}

Добавлена обработка входящих команд в режим ректификации на этапах головы, тело, хвосты.

Добавлена входящая команда для удаленной остановки процесса на этапах Головы, Тело, Хвосты
Запрос: STOP
Ответ:
json
{
    "type": "response",
    "request": "STOP",
    "result": "OK"
}
В перечень событий event добавлено значение "remote_stop" - получена удаленная команда остановки, процесс остановлен
2.2.36 / 02.11.2024 ssvc0059_v2_firmware.2.2.36.zip
Изменения для разработчиков.
Добавлен перезапуск UART при обнаружении ошибок на линии. Таймаут между перезапусками 10 с.
2.2.37 / 08.11.2024 ssvc0059_v2_firmware.2.2.37.zip
Документация к UART API версия 2.2.37
Изменения для разработчиков.
Добавлена команда VERSION - запрос версии прошивки
Добавлена команда PAUSE - вход в режим ручного управления клапаном текущего этапа, клапан закрыт.
Добавлена команда RESUME - выход из режима ручного управления клапаном.
Добавлена команда NEXT - действие аналогичное нажатию кнопки Далее/Выход на этапах Головы / Тело / Хвосты
Добавлены события для поля event: manually_closed, manually_opened - ручное управление клапаном текущего этапа, закрыто / открыто.
Добавлено логирование поступающих запросов по UART на этапах Головы, Тело, Хвосты. Файл "uart_log.txt", открывается на дозапись.
2.2.38 / 19.11.2024 ssvc0059_v2_firmware.2.2.38.zip
Изменения для разработчиков. 
Улучшено формирование событий. (Исправлено: при некоторых событиях event присутствовал в телеметрии через раз.) Исправлено: по команде STOP не останавливался параллельный отбор
2.2.39 / 04.12.2024 ssvc0059_v2_firmware.2.2.39.zip
Изменения для разработчиков.
Сброс суммарного времени открытия клапана при повторном запуске программы ректификации.
Обработка команд из UART при ожидании ТД1 и в отложенном пуске.
Исправлена ошибка в ответе на GET_SETTINGS, гистерезис был на порядок больше. 
2.2.40 / 08.12.2024 ssvc0059_v2_firmware.2.2.40.zip
Документация к SSVC0059 V2 + UART API версия 2.2.40
Изменения для разработчиков.
Оптимизация кода формрования JSON с настройками.
Прием настроек по UART.
Корректировка названий параметров настроек
	head_timer -> heads_timer
	body_timer -> hearts_timer
	tail_temp -> tails_temp
	valve_bandwidth -> valve_bw
Добавлен сторожевой таймер, который активируется после первой полученной команты AT.
Сторожевой таймер перезапускает UART, если в течение 10 с не поступает никаких команд.
Перезапуск происходит в перерывах между передачей телеметрии, не заметно для другой стороны.
2.2.41 / 07.01.2025 ssvc0059_v2_firmware.2.2.41.zip
Версия API 1.0
Изменения для разработчиков.
Вывод версии API в ответе на VERSION.
Убран сторожевой таймер перезапуска UART.
2.2.42 / 12.01.2025 ssvc0059_v2_firmware.2.2.42.zip
Версия API 1.1
Убрана опция "Продолжать прерванный процесс"
Отображение отобранного текущим этапом объема в правой части экрана под температурой ТД2, в литрах с двумя знаками после запятой.
Добавлена статистика на экран, вызываемый удерживанием кнопки Вниз во время ректификации:
	- количество стопов на отборе тела
	- отбор продукта в литрах для каждого клапана
Изменения для разработчиков.
Исправлено: не обнулялся счетчик стопов при повторном пуске ректификации без перезагрузки
Версия API 1.1
Удалено поле из ответа на GET_SETTINGS - autoresume: Продолжать прерванный процесс. 
Поступающие запросы могут заканчиваться символом \n или \r.
В телеметрии на этапах ректификации присутствует поле pid - уникальный идентификатор ректификации;
2.2.43 / 18.01.2025 ssvc0059_v2_firmware.2.2.43.zip
Исправлена ошибка отображения сообщения об окончании лимита времени стабилизации
2.2.44 / 08.04.2025
Исправлена ошибка с отключением коррекции по давлению если выйти из настроек в ректификацию кнопкой Выход
Изменения для разработчиков.
Исправлена проблема с приемом по UART строк заканчивающихся \n\r.
Версия API 1.2
Добавлен флаг "cfg_chgd": true в раздел common, для опроса настроек командой GET_SETTINGS.
2.2.45 / 10.04.2025
При бездействии на экранах настроек ректификации происходит выход из настроек.
Изменения для разработчиков.
Передача телеметрии на экранах настроек ректификации.
Версия API 1.3
Добавлено новое значения для type в телеметрии - "settings"
2.2.46 / 14.04.2025 ssvc0059_v2_firmware.2.2.46.zip
Версия 2.2.46
Добавлена опция "Удаленный пуск" на третьем экране стартовых настройек, разрешающая пуск ректификации по UART.

Изменения для разработчиков.
Исправлена ошибка в приеме десятичной части SE T hearts_finish_temp
Исправлена ошибка некорректного выхода по команде STOP на этапе нагрева и отсрочки старта
Добавлено сохранение полученных по API настроек в энергонезависимую память по таймауту в 30 с.
Обработка SE T на экранах пуска программы
Команда STOP останавливает процесс и сразу выходит в дежурный режим.

Версия API 1.4
В раздел common добавлено поле "tts" - время до сохранения настроек в энергонезависимую память, с. 
При отсутствии поля "tts" - несохраненных даных нет.
Добавлена команда START - для запуска ректификации по UART из дежурного режима.
Убрано значение "remote_stop" для "event". Команда STOP приводит к выходу в дежурный режим.
2.2.47 / 23.04.2025 ssvc0059_v2_firmware.2.2.47.zip
Описание прошивки SSVC0059 V2 версии 2.2.47
Версия 2.2.47
Исправлена ошибка в приеме десятичной части tails_temp
Версия API 1.5
Оперативные параметры текущего этапа в команде SE T
- "s_temp=<температура>" - Температура, °C. Число с одним знаком после запятой. Максимальное значение - 110.0
- "s_hyst=<гистерезис>" - Гистерезис, °C. Число с двумя знаками после запятой. Минимальное значение - 0.06, максимальное - 50.06
- "s_speed=[<время_включения>,<период>]" - Скорость отбора. Синтаксис и органичения аналогичные как для "heads".
- "s_decrement=<декремент>" - Декремент, %. Целое число. Максимальное значение - 100.
- "s_timer=<время>" - Таймер, с. Целое число. Максимальное значение - 86400.
2.2.48 / 10.10.2025 ssvc0059_v2_firmware.2.2.48.zip
Версия 2.2.48
Добавлены десятичные доли атмосферного давления. В корректировке температуры давление учитывается с дискретностью 0,1 мм рт. ст.
2.2.49 / 13.10.2025 ssvc0059_v2_firmware.2.2.49.zip
Версия 2.2.49
Упреждающее снижение отбора
Функция активна, если гистерезис задан не менее 0,12°C.
Когда температура приближается к установленному порогу (гистерезису) ближе, чем на один дискрет датчика (0,0625°C), скорость отбора уменьшается на заданный декремент, при этом отбор не останавливается.
При корректно настроенных параметрах упреждающее снижение позволяет пройти процесс без остановок.
Ожидается, что снижение скорости приведет к возврату температуры к установленному значению.
Если этого не происходит, при пересечении гистерезиса выполняется стандартное снижение с остановкой отбора (стоп).
Повторное упреждающее снижение возможно только после возврата температуры к установленному уровню.
2.2.50 / 24.10.2025 ssvc0059_v2_firmware.2.2.50.zip
Версия 2.2.50
На дежурном экране добавлено отображение информации от подключенного по UART устройства.
Изменения для разработчиков.
Версия API 1.6
STATUS - передача статуса от подключенного устройства. Например: STATUS 192.168.100.200.
В качестве параметра в команде STATUS принимается строка 15 символов. Полученное строковое значение отображается на дежурном экране.
В телеметрии добавлен decrement: int — Декремент в %, целое число.
В команде SET добавлены параметры parallel_v3 и parallel_v1
2.2.51 / 25.01.2026 ssvc0059_v2_firmware.2.2.51.zip
Версия 2.2.51
Давление в лог выводится с десятичным знаком.   
Исправлена ошибка - в пересчете температуры в кубе не учитывалось давление в кубе из настроек.
(Ошибка присутствует в версиях 2.2.48 - 2.2.50)

Изменения для разработчиков
Версия API 1.7.
Документация на github: SSVC0059_V2 UART API Версия 1.7

Новый параметр в команде SET - tank_mmhg_act
tank_mmhg_act
- Назначение: Передача актуальных (динамических) показаний датчика давления в систему расчетов. 
	Если датчик в кубе отсутствует и данные не передаются, контроллер использует статическое значение из tank_mmhg.
- Описание: Устанавливает давление в кубе в мм рт. ст. относительно атмосферного. 
	Имеет приоритет над tank_mmhg. 
	Если контроллер получил tank_mmhg_act хотя бы раз, он будет использовать это значение (и игнорировать в том числе последующие изменения tank_mmhg) до момента выключения питания.
- Синтаксис:  
  "tank_mmhg_act=<значение>"  
  - "<значение>" — вещественное число с одной десятичной цифрой (например, 30.0).
- Ограничения:  
  - Значение должно быть от 0.0 до 50.0.
- Пример:  
  "tank_mmhg_act=45.5"

В телеметрии mmhg и tank_mmhg выводятся с десятичным знаком.   
2.2.52 / 29.04.2026 ssvc0059_v2_firmware.2.2.52.zip
Версия 2.2.52
Добавлен вывод в лог сколько раз было упреждающее снижение скорости отбора - поле "Упреждений".
Изменения для разработчиков
Версия API 1.8.
Документация на github: SSVC0059_V2 UART API Версия 1.8
В телеметрию для `type: "hearts"` добавлено поле `preempt_cnt: int` — сколько раз было упреждающее снижение скорости отбора.

Прошивки серии Pro.3H (подголовники, без хвостов)

Ссылка на актуальную версию прошивки Pro.3H (подголовники, без хвостов) и описание.
Версия / дата Ссылка на прошивку. Краткое описание
Информацию о более ранних версиях см. в файле changelog.txt
2.3.9 / 01.02.2024 ssvc0059_v2_firmware.2.3.9.zip
Полностью переработаная версия прошивки для работы с подголовниками. Этап подголовников имеет свои настройки скорости и времени.
За основу взята версия 2.2.30, в которой выполнены следующие изменения:
- Клапан 3 назначен для подголовников;
- Убран этап "Хвосты";
- Добавлен этап "Подголовники" начинается после этапа "Головы". Этап имеет два параметра - время (0..240 минут) и скорость отбора;
- После завершения этапа "Тело" процесс завершается.
2.3.10 / 13.05.2024 ssvc0059_v2_firmware.2.3.10.zip
Увеличено максимальное время паузы фиксации температуры отбора тела до 30 минут.
2.3.11 / 09.08.2024 ssvc0059_v2_firmware.2.3.11.zip - Описание прошивки SSVC0059 V2 версии 2.3.11
Во время отбора тела клапан параллельного отбора изменен на клапан подголовников (клапан 3)
2.3.12 / 29.08.2024 ssvc0059_v2_firmware.2.3.12.zip - Описание прошивки SSVC0059 V2 версии 2.3.12
В стартовых настройках добавлен экран настройки пропускной способности клапанов в мл/ч.
Если для клапана задана его пропускная способность, на экране настроек программы ректификации, когда курсор находится на строке скорости соответствующего клапана, отображается рассчитанная скорость работы клапана в мл/ч. Когда курсор на строке установки времени отбора голов и подголовников, отображается расчетное количество отбора в мл.
В программе ректификации, если задана пропускная способность клапана, вместо скорости в процентах отображается скорость в мл/ч.
Исправлено - не отображался на дисплее статус клапана параллельного отбора на отборе тела.
2.3.13 / 11.09.2024 ssvc0059_v2_firmware.2.3.13.zip
Увеличено максимальное время отбора подголовников до 24 часов.
2.3.14 / 26.10.2024 ssvc0059_v2_firmware.2.3.14.zip
"Сброс и снижение" - новая опция в стартовых настройках для расширенных параметров отбора голов.
При включенной опции добавляется возможность задать параметры "Сброса" в начале отбора голов и 
возможность постепенно плавно снижать скорость отбора голов. 
Сброс входит в общее время отбора голов.
При включенной опции "Сброс и снижение" период начинается с открытого клапана.
При включенной опции "Сброс и снижение" возможно оперативное редактирование скорости отбора, но нельзя 
установить скорость выше рассчитанной по формуле снижения. В расчете участвует начальная скорость отбора, 
соответственно, для оперативного увеличения скорости отбора необходимо увеличить этот параметр. 
Изменен порядок полей на экране настроек отбора голов.
Экспорт и импорт настроек перенесены на последний экран настроек.
Отображение отобранного текущим этапом объема в правой части экрана под температурой ТД2, в литрах с двумя знаками после запятой.
2.3.15 / 07.01.2025 ssvc0059_v2_firmware.2.3.15.zip
Версия API 1.0
Изменения для разработчиков.
Реализован API обмена данными через UART. Версия API 1.0.
Опция подсветки может принимать три значения: выключена, активная, всегда
Убран сторожевой таймер UART, унаследованный из 2.2.40.
2.3.16 / 12.01.2025 ssvc0059_v2_firmware.2.3.16.zip
Версия API 1.1
Убрана опция "Продолжать прерванный процесс"
Добавлена статистика на экран, вызываемый удерживанием кнопки Вниз во время ректификации:
	- количество стопов на отборе тела
	- отбор продукта в литрах для каждого клапана
Изменения для разработчиков.
Исправлено: не обнулялся счетчик стопов при повторной пуске ректификации без перезагрузки
Версия API 1.1
Удалено поле из ответа на GET_SETTINGS - autoresume: Продолжать прерванный процесс. Значение 1 - включено, 0 - выключено.
SE T heads_final=<любое значение> - включает опцию "Сброс и снижение".
SE T release_timer=<значение больше 0> - включает опцию "Сброс и снижение".
Поступающие запросы могут заканчиваться символом \n или \r.
В телеметрии на этапах ректификации присутствует поле pid - уникальный идентификатор ректификации;
2.3.17 / 28.01.2025 ssvc0059_v2_firmware.2.3.17.zip
Исправлена ошибка отображения сообщения об окончании лимита времени стабилизации.
Убрано отображение номера датчика на экране ректификации (рядом с температурой ТД1) .
2.3.18 / 07.04.2025
Исправлена ошибка с отключением коррекции по давлению если выйти из настроек в ректификацию кнопкой Выход.
Изменения для разработчиков.
Исправлена проблема с приемом по UART строк заканчивающихся \n\r.
Версия API 1.2
Добавлен флаг "cfg_chgd": true в раздел common, для опроса настроек командой GET_SETTINGS
2.3.19 / 10.04.2025
При бездействии на экранах настроек ректификации происходит выход из настроек.
Изменения для разработчиков.
Передача телеметрии на экранах настроек ректификации.
Версия API 1.3
Добавлено новое значения для type в телеметрии - "settings"
2.3.20 / 12.04.2025 ssvc0059_v2_firmware.2.3.20.zip
Добавлена опция "Удаленный пуск" на третьем экране стартовых настройек, разрешающая пуск ректификации по UART.

Изменения для разработчиков.
Исправлена ошибка в приеме десятичной части SE T hearts_finish_temp
Исправлена ошибка наложения на дисплее строк при получении STOP во время сброса.
Исправлена ошибка некорректного выхода по команде STOP на этапе нагрева и отсрочки старта
Добавлено сохранение полученных по API настроек в энергонезависимую память по таймауту в 30 с.
Обработка SET на экранах пуска программы
Команда STOP останавливает процесс и сразу выходит в дежурный режим.

Версия API 1.4
В раздел common добавлено поле "tts" - время до сохранения настроек в энергонезависимую память, с. 
При отсутствии поля "tts" - несохраненных даных нет.
Добавлена команда START - для запуска ректификации по UART из дежурного режима.
Убрано значение "remote_stop" для "event". Команда STOP приводит к выходу в дежурный режим.
2.3.21 / 21.04.2025 ssvc0059_v2_firmware.2.3.21.zip
Версия API 1.5
Оперативные параметры текущего этапа в команде SET
- "s_temp=<температура>" - Температура, °C. Число с одним знаком после запятой. Максимальное значение - 110.0
- "s_hyst=<гистерезис>" - Гистерезис, °C. Число с двумя знаками после запятой. Минимальное значение - 0.06, максимальное - 50.06
- "s_speed=[<время_включения>,<период>]" - Скорость отбора. Синтаксис и органичения аналогичные как для "heads".
- "s_decrement=<декремент>" - Декремент, %. Целое число. Максимальное значение - 100.
- "s_timer=<время>" - Таймер, с. Целое число. Максимальное значение - 86400.
2.3.22 / 19.09.2025 ssvc0059_v2_firmware.2.3.22.zip - Описание прошивки SSVC0059 V2 версии 2.3.22
Изменения для разработчиков
Если параметр "Сброс и снижение" отключен, в ответе на GET_SETTINGS отсутствуют release_timer, release_speed, heads_final 
2.3.23 / 10.10.2025 ssvc0059_v2_firmware.2.3.23.zip
Версия 2.3.23
Исправлена ошибка, если включен параллельный отбор и ручной переход между этапами
2.3.24 / 01.11.2025 ssvc0059_v2_firmware.2.3.24.zip
Версия 2.3.24
Добавлены десятичные доли атмосферного давления. В корректировке температуры давление учитывается с дискретностью 0,1 мм рт. ст.
На дежурном экране добавлено отображение информации от подключенного по UART устройства.
Упреждающее снижение отбора.
Функция активна, если гистерезис задан не менее 0,12°C.
Когда температура приближается к установленному порогу (гистерезису) ближе, чем на один дискрет датчика (0,0625°C), скорость отбора уменьшается на заданный декремент, при этом отбор не останавливается.
При корректно настроенных параметрах упреждающее снижение позволяет пройти процесс без остановок.
Ожидается, что снижение скорости приведет к возврату температуры к установленному значению.
Если этого не происходит, при пересечении гистерезиса выполняется стандартное снижение с остановкой отбора (стоп).
Повторное упреждающее снижение возможно только после возврата температуры к установленному уровню.

Изменения для разработчиков.
Версия API 1.6
STATUS - передача статуса от подключенного устройства. Например: STATUS 192.168.100.200.
	принимается строка 15 символов. Полученное строковое значение отображается на дежурном экране.
В телеметрии добавлен decrement: int — Декремент в %, целое число.
В команде SET добавлен параметр parallel.	
2.3.25 / 25.01.2026 ssvc0059_v2_firmware.2.3.25.zip
Версия 2.3.25
Давление в лог выводится с десятичным знаком.   
Исправлена ошибка версии 2.3.24 - в пересчете температуры в кубе не учитывалось давление в кубе из настроек.

Изменения для разработчиков
Версия API 1.7
Документация на github: SSVC0059_V2 UART API Версия 1.7

Новый параметр в команде SET - tank_mmhg_act
tank_mmhg_act
- Назначение: Передача актуальных (динамических) показаний датчика давления в систему расчетов. 
	Если датчик в кубе отсутствует и данные не передаются, контроллер использует статическое значение из tank_mmhg.
- Описание: Устанавливает давление в кубе в мм рт. ст. относительно атмосферного. 
	Имеет приоритет над tank_mmhg. 
	Если контроллер получил tank_mmhg_act хотя бы раз, он будет использовать это значение (и игнорировать в том числе последующие изменения tank_mmhg) до момента выключения питания.
- Синтаксис:  
  "tank_mmhg_act=<значение>"  
  - "<значение>" — вещественное число с одной десятичной цифрой (например, 30.0).
- Ограничения:  
  - Значение должно быть от 0.0 до 50.0.
- Пример:  
  "tank_mmhg_act=45.5"

В телеметрии mmhg и tank_mmhg выводятся с десятичным знаком.   
2.3.26 / 20.03.2026 ssvc0059_v2_firmware.2.3.26.zip
Версия 2.3.26
Добавлен вывод в лог сколько раз было упреждающее снижение скорости отбора - поле "Упреждений".
Изменения для разработчиков
Версия API 1.8
Документация на github: SSVC0059_V2 UART API Версия 1.8
В телеметрию для `type: "hearts"` добавлено поле `preempt_cnt: int` — сколько раз было упреждающее снижение скорости отбора.
Добавлено событие `late_heads_finished` — завершен этап Подголовники
В ответ на GET_SETTINGS добавлено поле extended_heads - "Сброс и снижение"
В список доступных параметров для SET добавлен параметр extended_heads - "Сброс и снижение"

Прошивки серии Brew (для затирания солода)

Ссылка на актуальную версию прошивки Brew (для затирания солода) и описание
Версия / дата Ссылка на прошивку. Краткое описание
2.4.4 / 23.12.2022 ssvc0059_v2_firmware.2.4.4.zip - Описание прошивки SSVC0059 версии 2.4.4 (Brew)

Ссылки по теме

Полезная статья о процессах при ректификации и принципе регулирования скорости отбора: "От дистилляции к ректификации с автоматикой, простыми словами."

SSVC0059 в Telegram

Чертежи и схемы
Схема сопряжения SSVC0059 V2 с регулятором мощности SmartModule 60
Схема сопряжения SSVC0059 V2 с регулятором мощности SmartModule 60
Схема включения контроллера SSVC0059 V2 с регулятором мощности SmartModule 60
Схема включения контроллера SSVC0059 V2 с регулятором мощности SmartModule 60
Дополнительная информация

Изготавливается версия контроллера с выведенными штыревыми контактами UART и переделанной схемой питания (для питания внешней схемы до 350 мА). Артикул товара - SSVC0059_V2_UART.
Контроллер может поставляться без корпуса для встраивания в корпуса других конструкций.
Имеется возможность разработки прошивки по Вашему техническому заданию.
Для поставки оптовых партий по индивидуальному заказу оставьте заявку через форму на сайте или напишите нам электронной почтой на sales@smartmodule.ru

Документация

Оптовые цены на Контроллер электромагнитного клапана SSVC0059 (версия 2)

* – минимальное количество в заказе для оптовой цены
** – рекомендованная розничная цена
Указанные на сайте сведения, включая цены, носят информационный характер и не являются публичной офертой (ст. 437 ГК РФ). Для уточнения стоимости и условий приобретения обращайтесь к представителям компании.

Артикул Наименование Мин. кол-во опт * РРЦ ** Опт. цена Действие
SSVC0059_V2 Контроллер электромагнитного клапана SSVC0059 (версия 2) 10
10 599 руб.
7 949 руб.
Оставить заявку
от 10 шт.

* – минимальное количество в заказе для оптовой цены
** – рекомендованная розничная цена
Указанные на сайте сведения, включая цены, носят информационный характер и не являются публичной офертой (ст. 437 ГК РФ). Для уточнения стоимости и условий приобретения обращайтесь к представителям компании.

Нужна консультация специалиста?
Звоните, с радостью поможем Вам!