- Каталог
- SSVC0059 V2
- Pro.3H версия прошивки
SSVC0059 V2 версия Pro.3H (v 2.3.22)
Введение.
В качестве введения приведена сокращенная версия статьи с сайта ekits.ru. С оригиналом статьи в полной версии можно ознакомиться по ссылке: "От дистилляции к ректификации с автоматикой, простыми словами."
При кипячении, пары поднимаются по ректификационной колонне и доходят до дефлегматора, где они конденсируются и стекают в узел отбора. Здесь флегма частично отбирается в приемную тару, а большая её часть возвращается в колонну. Возвращенная флегма растекается на контактных элементах, где происходит взаимодействие стекающей охлажденной флегмы и восходящих паров. В верхней части колонны концентрируются низкокипящие фракции, а в нижней - высококипящие фракции. По высоте колонны устанавливается градиент температуры. В нижней части наибольшая температура, в верхней — наименьшая.
До начала отбора надо дать колонне поработать "на себя". Отбора нет, вся флегма поступает обратно. Через некоторое время такой работы колонна стабилизируется, и можно начинать отбор продукта.
В процессе ректификации важно поддержание равновесия, чтобы отбор спирта не превышал скорость пополнения колонны спиртовыми парами из куба. Если отбирать спирт слишком быстро, высококипящие примеси из низа колонны начинают продвигаться вверх и попадают в отбор продукта, ухудшая его качество. Для того чтобы предотвратить это, надо выдерживать определенное соотношение количества отбираемого продукта и количества возвращенного в колонну для орошения насадки.
Со временем количество испаряемого спирта уменьшается. Соответственно, необходимо уменьшать скорость отбора для сохранения равновесия. Когда хвостовые фракции начинают движение вверх, повышается температура в колонне, что является сигналом к уменьшению скорости отбора. В нижней части ректификационной колонны устанавливается термометр, чтобы своевременного отследить увеличение температуры.
Для того чтобы не сидеть у колонны, следить за температурой и вручную не регулировать скорость отбора, используют контроллер узла отбора. Главная задача контроллера при отборе тела - зафиксировать температуру отбора, останавливать отбор в случае повышения температуры выше заданного порога. А после возвращения к заданной температуре продолжить отбор с уменьшенной скоростью. Алгоритм понятный, надежный и проверен временем.
Концепция прошивки SSVC0059 V2 версии Pro.3H (2.3.22).
Изложенная на этой странице информация актуальна для прошивки версии 2.3.22. Ссылка на прошивку: ssvc0059_v2_firmware.2.3.22.zip
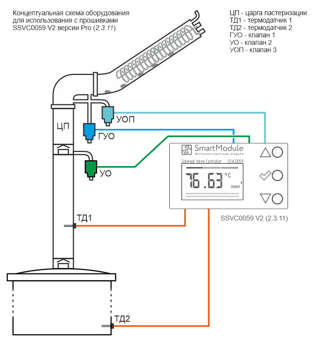
Pro.3H версия прошивки SSVC0059 V2 предназначена для отбора тремя клапанами. Отбор производится головных фракций (голов), подголовный фракций (подголовники) и тело. Контроль температуры осуществляется двумя датчиками в царге и в кубе.
На этапе отбора тела имеется возможность параллельно с отбором тела так же отбирать клапаном подголовников (опция, выбираемая пользователем, скорость отбора настраивается).
Имеется возможность автоматического уменьшения скорости отбора в зависимости от температуры в кубе.
Контроллер имеет много возможностей и опций, рассмотрим их ниже.

Датчики температуры:
- Термодатчик 1 (далее ТД1) в колонне.
- Термодатчик 2 (далее ТД2) в кубе (в жидкостной зоне).
Клапаны:
- Клапан 1 - Головной узел отбора (далее ГУО)
- Клапан 2 - Узел отбора тела (далее УО)
- Клапан 3 - Узел отбора подголовников (далее УОП)
Клапаны нормально закрытые.
Этапы программы отбора:
- Головы.
Отбор* через ГУО, завершение по таймеру. - Подголовники.
Отбор через УОП, завершение по таймеру. - Тело.
Отбор через УО с контролем температуры в колонне (ТД1), с автоматическим уменьшением скорости отбора с декрементом и по формуле (опция). Завершение этапа при снижении сокрости до минимальной или по температуре в кубе.
Параллельный отбор через УОП.
*Отбор осуществляется с регулируемой скоростью. Регулирование скорости отбора производится изменением отношения времени открытого клапана к периоду. Клапан периодически открывается на заданное время. Цикл работы клапана имеет два параметра: "клапан открыт" (Ton) и "период" (Tperiod). Параметр Ton задается с дискретностью 0.1 с в диапазоне 0.1 - 99.9 с. Параметр Tperiod задается с дискретностью 1 с в диапазоне 1 - 999 с. Отсчет времени ведется с точностью до 0.01 с.
Рис. Регулирование скорости отбора электромагнитным клапаном.
Стартовые настройки.
При удерживании кнопки ОК в момент включения контроллера, открывается окно стартовых настроек. Навигация по пунктам меню настроек - кнопки Вверх и Вниз. Кнопка ОК - выполнить пункт меню.
Первый экран стартовых настроек.
На первом экране стартовых настроек три опции:
- Звук.
При включенных звуках, при завершении этапов, контроллер синхронно с миганием подсветки дисплея издает звуковые сигналы для привлечения внимания. Сообщения и звуки не выдаются при активности пользователя (нажимаются кнопки) и в режиме ручного управления клапаном. При включенных звуках издаются звуковые сигналы ошибки датчика температуры, оповещения о завершении этапа и т.д. - Барометр.
При включенном барометре на экране отображается атмосферное давление. Во время выполнения программы температура корректируется к нормальному атмосферному давлению 760 мм рт.ст. На дисплее отображается температура датчиков с учетом поправки по атмосферному давлению (кроме дежурного режима). В алгоритме работы используется скорректированная температура. Автокоррекция температуры по атмосферному давлению позволяет поддерживать стабильное состояние процессов, независимо от атмосферного давления. - Переходы вручную или автомат.
В режиме "автомат", по завершении таймера отбора голов, контроллер автоматически переходит к отбору подголовников, по завершении отбора подголовников - автоматически переходит к отбору тела. Если же выбрано "вручную", по окончанию этапов Головы и Подголовники, контроллер уведомляет пользователя о завершении этапа, а переход на следующий этап выполняется пользователем.
Второй экран стартовых настроек.

На этом экране две опции:
- SIGNAL - определяет алгоритм смены состояния выхода SIGNAL;
- Лимит стабилизации - включает контроль продолжительности стабилизации.
SIGNAL.

Выход SIGNAL предназначен для опытных специалистов. Для использования выхода SIGNAL требуется внешняя схема сопряжения с другим устройством. Некорректная коммутация выхода SIGNAL может вывести устройство из строя.
Опция SIGNAL имеет два значения:
- Ошибка ТД - открывается оптрон выхода SIGNAL при ошибке датчика текущего этапа;
- Контроль ТД1 (выбрано по умолчанию) - контролируется температура на ТД1. Оптрон выхода SIGNAL открывается при превышении установленного значения. Это может быть полезно для переключения мощности нагрева с "разгона" на рабочую.
Если для опции SIGNAL выбран вариант "Контроль ТД1":
- добавляются два параметра:
- Температура - контролируемая температура на ТД1 (25..100°C);
- Старт по ТД1 (включено по умолчанию) - отсчет времени отложенного пуска после превышения на ТД1 значения, установленного в параметре "температура"
- При превышении на ТД1 значения, заданного в параметре "Температура", открывается оптрон выхода SIGNAL (ключ замкнут).
- При понижении на ТД1 значения более чем на 1 градус от заданного в параметре "Температура" закрывается оптрон выхода SIGNAL (ключ разомкнут).
- Контроль ТД1 начинается после нажатия кнопки "Пуск" программы ректификации.
- Контроль ТД1 прекращается с началом этапа "Головы."
- После завершения ректификации через 3 минуты оптрон выхода SIGNAL закрывается.
В этом же случае, если выключена опция "Реле вкл. сразу", происходит выход в дежурный режим. - Звуковое оповещение о завершении процесса прекращается через 3 минуты.
Старт по ТД1.

Если включена опция "Старт по ТД1", то отсчет времени отложенного пуска начинается с момента превышения на ТД1 значения, заданного в параметре "Температура" для опции SIGNAL. При выключенной опции "Старт по ТД1" отсчет времени отложенного пуска начинается сразу после нажатия кнопки "Пуск" программы ректификации.
Лимит стабилизации.

Опция "Лимит стабилизации" позволяет задать максимальное время возврата температуры отбора к заданной (до 60 минут). В случае если отбор остановлен по причине превышения температуры и возврат к заданной температуре не происходит в течение лимита времени. Контроллер оповещает о превышении лимита стабилизации в течение 3х минут. Через 3 минуты звуковое оповещение отключается.
Завершить этап.

При включенной опции "Завершить этап" отбор тела завершается через 3 минуты после начала оповещения, если пользователь не вмешался в процесс.
Третий экран стартовых настроек.

На этом экране пять опций:
- Инвертировать реле - инвертирует состояние реле для включения/отключения внешнего оборудования;
- Реле вкл. сразу - определяет, когда включать внешнее оборудование;
- Инвертир-ть SIGNAL - инвертирует состояние выхода SIGNAL;
- Подсветка - определяет когда будет включена подвсетка дисплея;
- Удаленный пуск - разрешает пуск программы ректификации командой, полученной по UART.
Инвертировать реле.

По умолчанию, опция "Инвертировать реле" выключена. В этом случае замкнутые контакты реле соответствуют включенному состоянию внешнего оборудования, разомкнутые - выключенному.

Если же включена опция "Инвертировать реле", то замкнутые контакты реле соответствуют выключенному состоянию внешнего оборудования, разомкнутые - включенному. При этом важно понимать, что контакты реле нормально разомкнутые. При выключенном контроллере контакты реле разомкнуты вне зависимости от опции "Инвертировать реле".
Реле вкл. сразу.

Опция "Реле вкл. сразу" (по-умолчанию выключена) определяет когда включать внешнее оборудование. При выключенной опции (рекомендуется) на реле подается команда включить внешнее оборудование после нажатия на кнопку "Пуск" на экране пуска программы.

При включенной опции на реле подается команда включить внешнее оборудование сразу после включения контроллера (в том числе в дежурном режиме).
Инвертир-ть SIGNAL.

При включенной опции состояние выхода SIGNAL программно меняется на обратное (при включенном контроллере).
Подсветка.
Опция управления подсветкой дисплея. Может принимать три значения: активная / всегда / выключена.

Подсветка активная - подсветка включается в дежурном режиме при нажатии кнопок и во время ректификации подсветка включена всегда

Подсветка всегда - подсветка включена всегда, в том числе в дежурном режиме.

Подсветка выключена - подсветка выключена всегда.
Удаленный пуск.

Удаленный пуск разрешает пуск программы ректификации по команде, полученной по UART от внешних устройств. Это могут быть Wi-Fi модули расширения сторонних разработчиков. Данная опция удобна для выполнения всех настроек со смартфона, находясь при этом рядом с оборудованием.
Пропускная способность клапанов, опция "Сброс и снижение".

На этом экране настроек можно задать пропускную способность клапанов в мл/ч. Пропускная способность клапана - сколько жидкости пройдет через клапан когда он всегда открыт (100% времени).
Пропускную способность клапана рекомендуется измерять непосредственно в тех условиях при которых он будет работать.
Если задать пропускную способность клапанов:
- в настройках ректификации отображается скорость отбора в мл/ч;
- во время ректификации скорость отбора отображается в мл/ч;
- при установке времени отбора голов и подголовников отображается ожидаемый объем в мл.

Максимальное значение пропускной способности клапана можно установить 20000 мл/ч.

"Сброс и снижение" - добавляет расширенные параметры отбора голов: сброс (иногда так же именуемого как "плевок") и постепенное снижение скорости отбора голов.
Дежурный режим.

При включении контроллер находится в дежурном режиме (если был выключен штатно).
Большими цифрами отображается температура от первого датчика температуры. В правой части отображается температура от второго датчика температуры.
В нижней части экрана отображается текущее атмосферное давление.
Для пуска программы надо нажать любую кнопку. После этого появятся экраны настроек программы ректификации.
Настройки программы ректификации.
Первый экран настроек программы ректификации.

На этом экране шесть опций:
- Сдвиг Т.отбора - прибавляет 0.07°C при фиксации температуры отбора тела;
- Пауза "на себя" - клапан 2 закрыт во время паузы фиксации температуры отбора тела;
- Формула - снижение скорости отбора тела по температуре в кубе по формуле;
- Давление в кубе - давление в кубе в мм рт.ст.;
- Поправка ТД2 - поправка показаний ТД2 при ректификации (в диапазоне -2,0..+2,0).
- Фильтр ТД - кратковременные (не более 1 в 3 секунды) скачки температуры игнорируются.
Сдвиг Т.отбора.

При включенной опции (включена по-умолчанию) "Сдвиг Т.отбора" - к зафиксированной температуре отбора тела прибавляется 0.07°C.
Во избежание ситуации, когда температура долго не возвращается к установленной, рекомендуется эту опцию не отключать.
При превышении установленной температуры на значение больше, чем гистерезис, отбор прекращается и возобновляется при возвращении температуры к установленному уровню.
Если использовать сдвиг температуры отбора, то отбор возобновится раньше, работая на опережение.
При использовании сдвига температуры отбора, гистерезис следует установить на 0.07°C меньше, чем при работе без сдвига.
Значение 0.07 выбрано как ближайшее число, с точностью 0.01 в большую сторону, к числу 0.0625 (дискретность датчика DS18B20).
Пауза "на себя".

Пауза "на себя" - клапан 2 (УО) закрыт во время паузы фиксации температуры отбора тела (параметр "Пауза" на экране "2.Тело. УО").
По умолчанию включено. Рекомендуется для дополнительной стабилизации колонны после перехода с этапа Головы на этап Тело.
Формула.

Опция "Формула" позволяет автоматически уменьшать скорость отбора на этапе "Тело" в зависимости от температуры в кубе (датчик ТД2).
У опции "Формула" имеется параметр "Температура начала формулы" - температура, с которой начинается применение формулы. По умолчанию 84°C. Эту температуру можно изменить.
Формула в расчетах использует исходную скорость - скорость отбора, установленная к моменту достижения температуры начала формулы.
Определение исходной скорости:
- Если к моменту начала этапа "Тело" температура в кубе ниже температуры начала формулы, то исходной точкой принимается скорость, установившаяся к моменту достижения температуры начала формулы.
- Если к моменту начала этапа "Тело" температура в кубе равна или выше температуры начала формулы, то исходной точкой принимается температура в кубе и скорость на этот момент.
- Новая скорость вычисляется линейно, пропорционально разнице между текущей температурой и температурой 100°C.
- При достижении температуры 100°C в кубе скорость отбора снижается до нуля.
Алгоритм расчета скорости работает в дополнение к алгоритму с декрементом. Если рассчитанная по формуле скорость ниже, чем текущая, то скорость уменьшается до значения, рассчитанного по формуле.
Давление в кубе.

Давление в кубе задается в мм рт.ст. Это значение прибавляется к текущему атмосферному давлению и используется в расчете коррекции температуры на ТД2 по давлению.
Опция полезна для более точного расчета спирутозности кипящей смеси в кубе.
Поправка ТД2.

Поправка показаний ТД2 при ректификации. Значение задается в диапазоне -2,0..+2,0. Поправка прибавляется к
полученным от датчика температуры ТД2 значениям до корректировки по давлению
Опция полезна для более точного расчета спирутозности кипящей смеси в кубе.
Фильтр ТД.
Опция "Фильтр ТД" используется для фильтрации скачков на термодатчиках. При включенной опции, кратковременные (не более 1 в 3 секунды) скачки температуры игнорируются. По умолчанию опция выключена. Рекомендуется включать опцию "Фильтр ТД" как временное решение при обнаружении скачков на датчике температуры. Проблемный датчик рекомендуется заменить. Включение опции увеличивает инерционность показаний датчика на 1 секунду.
1.Головы. ГУО - настройки ГУО на этапе Головы.

На этом экране настраивается работа клапана ГУО (клапан 1) на этапе Головы.
- Отсрочка - время отложенного начала отбора голов. Устанавливается в диапазоне от 5 секунд до 5 часов с шагом 1 минута.
Отбор голов начинается по окончании времени отсрочки, до этого клапан ГУО закрыт. - Таймер Голов - время отбора голов, после которого отбор голов прекращается. Устанавливается в диапазоне 0..24 часа
В режиме переходов "автомат" произойдет переход к отбору подголовников, в режиме переходов "вручную" - уведомление о завершении этапа. - ГУО - клапан открыт / период.
Например: если время открытого клапана - 30, период - 360, то клапан будет открываться на 30 секунд с периодом в 360 секунд, т.е. 30 секунд клапан открыт, 330 секунд - закрыт.
Например: если время открытого клапана - 10, период - 100, клапан будет открыт 10% времени (открыт - 10 с, закрыт - 90 с) - снижение до - скорость отбора к окончанию отбора голов. Параметр доступен при включенной опции "Сброс и снижение" в стартовых настройках.
- Сброс - позволяет в начале отбора голов отобрать с увеличенной скоростью в течение заданного времени.

При редактировани скорости отбора, если заданы пропускные способности клапанов, отображается скорость отбора в л/ч.
В правом верхнем углу отображается общий рассчетный объем голов в литрах, с учетом сброса и снижения, если заданы пропускные способности клапанов.

При включенной опции "Сброс и снижение"
- во время отбора голов скорость постепенно меняется от начальной, заданной в параметре "ГУО - клапан открыт" до значения "снижение до";
- период начинается с открытого клапана;
- возможно оперативное редактирование скорости отбора, но нельзя установить скорость выше рассчитанной по формуле снижения.

Для сброса задается скорость (время открытого клапана при том же периоде, что задан для ГУО). Максимальное значение - 99.9
если заданы пропускные способности клапанов, отображается скорость отбора в л/ч.

Для сброса задается время, с шагом 1 с. Максимальное значение - 20:00 (20 минут)
если заданы пропускные способности клапанов, отображается общий объем сброса в мл.
2.Подголовники.

На этом экране в разделе 2 настраивается работа клапана УОП (клапан 3) на этапе Подголовники. Имеется два параметра - скорость отбора и время.
- Клапан 3 - клапан открыт / период.
Например: если время открытого клапана - 2, период - 4, то 2 секунды клапан открыт, 2 секунды - закрыт. - Таймер Подголовников - время отбора подголовников, после которого отбор подголовников прекращается. Устанавливается в диапазоне 0..240 минут
В режиме переходов "автомат" произойдет переход к отбору тела, в режиме переходов "вручную" - уведомление о завершении этапа.
3.Паралл. отбор

В разделе 3 этого экрана настраивается скорость параллельного отбора клапаном УОП (клапан 3) на этапе Тело.
- Клапан 3 - клапан открыт / период.
Например: если время открытого клапана - 1, период - 10, клапан открыт 10% времени, открывается на 1 секунду каждые 10 секунд.
Если заданы пропускные способности клапанов, отображается скорость мл/ч.
3.Тело. УО - настройки УО на этапе Тело.

- УО - клапан открыт / период.
Например: если время открытого клапана - 2, период - 4, то 2 секунды клапан открыт, 2 секунды - закрыт. - Гистерезис - допустимое увеличение температуры отбора, задается пользователем в диапазоне 0,06..2,0°C
При увеличении температуры на ТД1 более, чем установленный гистерезис, отбор тела останавливается, а скорость отбора (время открытого клапана) уменьшается на величину декремента. - Декремент - уменьшение скорости отбора при увеличении температуры более чем на величину гистерезиса, задается пользователем в диапазоне 0..100%
При каждой остановке цикла по причине превышения температуры, время открытия клапана уменьшается на величину декремента. Декремент задается в процентах от параметра “клапан открыт”. На экране отображается вычисленное значение от параметра “клапан открыт” в секундах, с точностью до 0.01 с.
При редактировании параметров “клапан открыт” или “Декремент” значение декремента в секундах вычисляется из текущих значений.
При снижении параметра “клапан открыт” до значения ниже 0.1 с, выполнение этапа “Тело” прекращается, клапан закрывается.
Например: если декремент равен 100%, то после первого превышения температуры отбор прекращается.
Например: если декремент равен 50%, то после первого превышения температуры скорость отбора уменьшается вдвое, после второго превышения температуры отбор прекращается.
- Пауза - пауза фиксации температуры после начала отбора.

Во время паузы отбор происходит без контроля температуры. При включенной опции 'Пауза "на себя"' клапан 2 закрыт, отбор тела не производится. Температура отбора тела фиксируется после паузы. Часто это полезно дать дополнительное время для стабилизации колонны после перехода от отбора голов к отбору тела. По умолчанию пауза равна 0. В этом случае температура отбора фиксируется на момент перехода к этапу Тело. - Стоп по ТД2,°C - завершение этапа Тело по температуре на ТД2 (максимум 110°C).
Отбор тела прекращается при достижении температуры на ТД2 (на кубовом датчике) значения этого параметра.
Экспорт/импорт настроек.

Есть возможность экспортировать настройки в файл и импортировать настройки, ранее экспортированные в файл.
При экспорте настройки сохраняются по умолчанию в файл SSVC0059.DAT.
Если на карте памяти есть хотя бы один файл с расширением DAT, то предоставляется выбор сохранить в существующий или новый файл.
Имя нового файла формируется как NEW_<число>.DAT
При импорте есть возможность выбора файла настроек. Маска файлов с настройками - *.DAT.
Имя файла (без расширения) не более 8 символов, латинскими буквами.
При экспорте/импорте поддерживается максимум 6 файлов.
Программа ректификации.
Ожидание ТД1.

Если в настройках включена опция "Старт по ТД1", то контроллер будет ожидать когда на ТД1 температура превысит установленное в настройках значение. Ожидание можно пропустить, нажав кнопку "Далее".
Отложенный пуск.

Следующий шаг - это отложенный пуск начала отбора. Минимальное время отложенного пуска - 5 секунд. Во время обратного отсчета оставшегося времени до старта, кнопками "Вверх" и "Вниз" можно изменить это время. Нажатие кнопки "ОК" сбрасывает оставшееся время до 5 секунд. Когда отсчет времени дойдет до нуля, начнется выполнение этапа "Головы".
Основные элементы экранов выполнения программы изображены на рисунках ниже.
Головы. Подголовники.

Тело.

Управление.
Управление интуитивно понятное, при помощи трех кнопок.
Кнопки Вверх и Вниз - навигация по элементам интерфейса или изменение значения редактируемого элемента.
Кнопка ОК нажимает экранную кнопку или входит в режим редактирования (повторное нажатие кнопки ОК - завершить редактирование).
На этапах Головы, Подголовники, Тело: удерживаемая кнопка Вниз - показать на экране температуру с датчиков без коррекции на атмосферное давление и текущую статистику.
Во время ректификации на этапах Головы, Подголовники, Тело: одновременно нажатые кнопки Вверх и Вниз - редактирование параметров этапов.
Ручное управление клапаном.

На этапах Головы, Подголовники, Тело: удерживаемая кнопка Вверх - вход в ручное управление клапаном этого этапа. В режиме ручного управления клапаном кнопка ОК - изменение состояния клапана открыт (ВКЛ) / закрыт (ВЫКЛ), кнопка Вверх или Вниз - выход из ручного режима.
Статистика ректификации.

На этапах Головы, Подголовники, Тело: удерживаемая кнопка Вниз - просмотр статистики ректификации. На этом экране отображается информация:
- Температура датчиков без коррекции по давлению;
- Атмосферное давление;
- Количество стопов на этапе Тело;
- Отобрано на каждом этапе, в литрах.
При ошибке датчика.
При ошибке ТД1 на этапе "Тело", если пользователь не реагирует в течение 3 минут на
сообщение об ошибке датчика, то на релейный выход подается команда на отключение оборудования.
При ошибке датчика ТД1 на этапе "Тело" клапан УО закрывается.
Логирование.
При наличии карты памяти в разъеме, ведется лог ректификации.
Имя файла: SSVC0059.CSV
Данные записываются 1 раз в минуту, на момент записи.
Для корректного завершения записи в файл, карту памяти следует извлекать через 5 секунд после завершения программы и
выхода на дежурный экран.
Формат данных:
Этап;Время;Установленная температура;Клапан открыт;Период;Скорость отбора клапаном текущего этапа;Давление;Давление в
кубе;ТД1;ТД2;ТД1 коррекция;ТД2 коррекция;ГУО, с;УО, с;СУО, с;Спиртуозность;Остановка;Всего остановок
Этап: 1 - Головы, 2 - Подголовники, 3 - Тело;
Время: время с начала выполнения программы;
Установленная температура: установленная температура для этого этапа (не актуально для этапа Головы);
Клапан открыт: время открытого клапана этого этапа;
Период: период цикла клапана этого этапа;
Скорость отбора клапаном текущего этапа: отношение времени открытого клапана к периоду;
Давление: атмосферное давление;
Давление в кубе: атмосферное давление + поправка на давление в кубе;
ТД1: температура на датчике 1;
ТД2: температура на датчике 2;
ТД1 коррекция: температура на датчике 1, с коррекцией на атмосферное давление;
ТД2 коррекция: температура на датчике 2, с коррекцией на атмосферное давление;
ГУО, с: суммарное время открытого клапана 1 (ГУО) в секундах;
УО, с: суммарное время открытого клапана 2 (УО) в секундах;
СУО, с: суммарное время открытого клапана 3 (СУО) в секундах;
Спиртуозность: спиртуозность кипящей водно-спиртовой смеси;
Остановка: остановка отбора по превышению температуры;
Всего остановок: всего остановок отбора по превышению температуры.
Логирование полезно при подборе оптимальной начальной скорости (на одном и том же сырье) для работы по формуле.